Über die Zeit sind einige Exponate zusammen gekommen. Diese sollen in einer Glasvitrine präsentiert werden. Um die exponate „ins rechte Licht“ zu rücken werden diese stilecht durch eine selbst gebastelte Beleuchtung angestrahlt.
„Um die Dramatik weiter zu erhöhen“ (:-) sollen die Spots einzeln per Fernbedienung (oder computergesteuert) ein- und ausgeschaltet werden können.
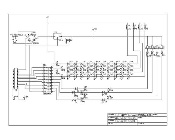
Elektronik
Schaltung
Die Schaltung besteht aus drei Teilen:
-
der Schnittstelle zur Fernbedienung
-
der Treiberstufe und
-
den LEDs, die sich in LEDs in den Spots und LEDs zur Einkoppelung in die Glasplatte unterteilen
Zur Spannungsversorgung kommt ein Steckernetzteil eines alten Flachbettscanners zum Einsatz, das eine Wechselspannung von satten 30V (!) liefert. Gleichgerichtet ergibt dies ca. 36V, so dass sich 10 weiße TopLEDs in Serie betreiben lassen.
Elektronische Simulation
Die Schaltung ist im wesentlichen unkritisch und bedarf keiner elektrischen Simulation. Lediglich die thermische Belastung des Spannungsreglers wurde überprüft. Laut Datenblatt liegt man zwar schon über der maximal zulässigen Eingangspannung, aber ein Test mit unterschiedlichen Lastwiderständen hat in allen Fällen einwandfrei funktioniert.
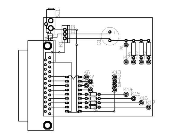
Steckverbindungen
Die Eingangspannung wir über die 1,1mm Hohlstecker-Buchs Bu1 zugeführt. Da die Spannung intern gleichgerichtet wird ist diese verpolgeschützt. Bei Zufuhr einer Gleichspannung liegt der Pluspol innen, um einen Kurzschluss bei Berührung des Steckers mit masseführenden Teilen auszuschliessen.
Die Steuersignale werden über eine SubD 25-polige Buchse zugeführt, die unmittelbar an den Empfänger-Teil des Funk-Fernbedienung-Bausatzes angeschlossen werden kann.
Die Zuführungen zu den einzelnen LED-Spots bzw. LED-Ketten sind über Lötstifte realisiert. Die anodenseitigen Zuleitungen befinden sich alle in der oberen bzw. rechten Hälfte, alle kathodenseitigen Anschlüsse unten links.
Schaltplan

Layout
Bauteile
|
Lfd.
|
Bezeichner
|
Bauteil
|
Kommentar
|
|
1
|
BR1
|
DF04S
|
SO4_GLEICHRICHTER
|
|
2
|
Bu1
|
PRINTBUCHSE_STIFT1,1MM
|
PRINTBUCHSE
|
|
3
|
C1
|
100µF
|
C_ELKO_RM5,08_DM10,5
|
|
4...8
|
D1...D4
|
1N4148_DIN
|
DO35
|
|
8...11
|
D5...D8
|
LED_WEISS_8MM
|
|
|
12...51
|
D10...D49
|
KA-3528MWC
|
TopLED SMD
|
|
52
|
IC1
|
ULN2803
|
DIL18
|
|
53
|
IC2
|
7812
|
TO220
|
|
54
|
K1
|
SUB-D_25POL_BUCHSE_LIEGEND
|
SUB-D_25POL_BUCHSE_LIEGEND
|
|
55...70
|
K2...K17
|
K1X1
|
1X01
|
|
71...74
|
R1...R4
|
560 Ohm
|
0207
|
Visualisierung

Konstruktion
LED-Spots
Die LED-Spots bestehen aus Ü-Eier Hälften (die alte Form, die, die man noch in zwei Hälften auseinander nehmen kann). Die verwendeten LEDs bieten zwar eine hohe Candela Zahl, dies jedoch auf Kosten eines kleinen Abstrahlwinkels. Um die Streuung und Homogenität des Lichtstrahls zu erhöhen wurden die LEDs „verkehrt herum“ eingebaut, so dass sie in die Ü-Eihälfte hinein strahlen. Diese wurde mit Chromlackspray glänzend lackiert.
Glasboden
Ursprünglich war es geplant die TopLEDs auf eine schmale Seite des Glasbodens auf zukleben, um damit zu erreichen, dass der Boden licht durchflutet erscheint. Das Glas bietet natürlich wenig Streuung, so dass das Licht der LEDs an der anderen Schmalseite nahezu punktförmig austrat. Auch ein leichtes Anschleifen der Oberfläche brachte nicht den gewünschte Effekt.
Jetzt sind die LEDs so auf die Platte geklebt, dass sei nach unten scheinen. Da sie mit Fädeldraht untereinander verbunden sind, fallen sie mitsamt Verkabelung kaum auf.
|